产品目录

首页 » 产品 » 直流减速电机 » 直流平行轴减速电机 » 直流平行轴减速电机(RS545-PAG7076)

loading

分享到:

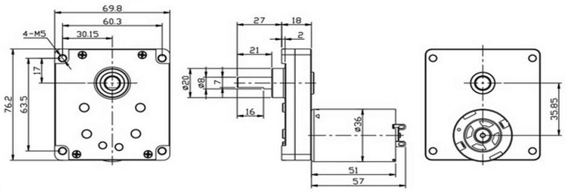
直流平行轴减速电机(RS545-PAG7076)

数量:
  • RS545-PAG7076

  • Longway

 
   典型的应用:自动快门, Money探测器,捆扎机,
 
   自动电视机架, Packing钞票设备, Towel分配器,
 
   组织设备,办公设备,家用电器, Automatic
 
   致动器。
 帧大小:Φ80mm
 电压:48V、310V等等
 速度:3000rpm
 应用:传输行业-更See在: http://en.langwei88.tw.ldyjz.com/80mm-Brushless-DC-motor-pd325704.html#sthash.wY1IJ
 典型的应用:自动快门, Money探测器,捆扎机, Automatic电视机架, Packing钞票设备, Towel分配器, Tissue设备,办公设备,家用电器, Automatic致动器。
马达说明:
1

Gearhead说明:
2


3



更多资讯,您可关注我们

 2016宁波鄞州朗韦机电有限公司 版权所有  0574-87930656,87930657